










Besides, we not only have the best prices in the market, we also offer you the possibility of financing the purchase to facilitate access to top quality machines at an affordable cost.
It is about important investments and that is why we are clear with a 100% safe machinery purchase and sale process, in order that you have all the necessary information to buy such a product.
To avoid that you have to travel, we take care of the transport and shipment of the purchase to your place of work. We collaborate with companies specialised in this type of orders and we can both, sell at source or turnkey.
CNC controller: Mitsubishi M730UM (CELOS – ERGOline Touch)
Capacity
X-axis travel mm: 260
Y-axis travel mm: ±50
Z-axis travel mm: 795
Turning length mm: 705
Max. turning diameter mm: ø: 366
Swing over bed mm: ø: 920
Swing over cross-slide mm: 740
Bar work capacity mm: 80
Tool magazine
Magazine places: 20
Tool holder: BMT40
Upper turret
Number of tool slots St .: 20
Speed driven tools RPM: 10.000
Drive power driven tools kW: 5.5/4.9/4.2 (3 min/5 min/cont)
Y-axis travel mm: 100
Rapid Feed Rate: 30
Main spindle
Speed spindle rpm: 4.000
Drive power spindle kW: 18.5/18.5/15 (25%ED/50%ED/cont)
Spindle bore mm: 91
Chuck type: Hollow chuck (Ø254 mm) BB210A821
Manufacturer: KITAGAWA
Spindle nose: JIS A2-8
Maximun torque Nm: 49
Counter spindle
Speed spindle rpm: 5.000
Drive power spindle kW: 11/7.5 (25%ED/cont)
Spindle bore mm: 73
Chuck type: Hollow chuck (Ø210 mm) BB208A621
Manufacturer: KITAGAWA
Spindle nose: JIS A2-5
Maximun torque Nm: 22
Counter spindle travel mm: 734
Coolant system
Tank capacity liter: 366
Equipment
Electronic Handwheel
Chip conveyor
Signal lamp
High pressure pump
Mist collector
Workarea light
Chuck foot switch (double) for main and counter spindle
Coolant gun
Measuring probe
Paper band filter
Prepared to work with a robot
Robot data – Fanuc – R-30iA / Type M-16iB/20
Availability of 10 pallets in the warehouse (10 slots)
Clamping by robot: ø40 to 220mm x 20mm
Max. Weight by robot piece: 5,6kg
Working time hours
Under power: 23.501
Cutting Time: 7.494
Potencial nominal kVA: 48
Basic machine dimensions / weight
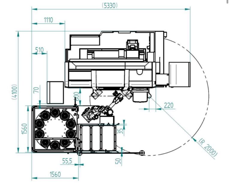
Length mm: 5.330
Width mm: 4.100
Height mm: 2.395
Weight kg: 8.360
董雁冰
CEO
Cillian Weber
CEO
DMG Mori
Germany
2018
Request a quote
Sales Department
DMG Mori











Germany
2018
CNC controller: Mitsubishi M730UM (CELOS – ERGOline Touch)
Capacity
X-axis travel mm: 260
Y-axis travel mm: ±50
Z-axis travel mm: 795
Turning length mm: 705
Max. turning diameter mm: ø: 366
Swing over bed mm: ø: 920
Swing over cross-slide mm: 740
Bar work capacity mm: 80
Tool magazine
Magazine places: 20
Tool holder: BMT40
Upper turret
Number of tool slots St .: 20
Speed driven tools RPM: 10.000
Drive power driven tools kW: 5.5/4.9/4.2 (3 min/5 min/cont)
Y-axis travel mm: 100
Rapid Feed Rate: 30
Main spindle
Speed spindle rpm: 4.000
Drive power spindle kW: 18.5/18.5/15 (25%ED/50%ED/cont)
Spindle bore mm: 91
Chuck type: Hollow chuck (Ø254 mm) BB210A821
Manufacturer: KITAGAWA
Spindle nose: JIS A2-8
Maximun torque Nm: 49
Counter spindle
Speed spindle rpm: 5.000
Drive power spindle kW: 11/7.5 (25%ED/cont)
Spindle bore mm: 73
Chuck type: Hollow chuck (Ø210 mm) BB208A621
Manufacturer: KITAGAWA
Spindle nose: JIS A2-5
Maximun torque Nm: 22
Counter spindle travel mm: 734
Coolant system
Tank capacity liter: 366
Equipment
Electronic Handwheel
Chip conveyor
Signal lamp
High pressure pump
Mist collector
Workarea light
Chuck foot switch (double) for main and counter spindle
Coolant gun
Measuring probe
Paper band filter
Prepared to work with a robot
Robot data – Fanuc – R-30iA / Type M-16iB/20
Availability of 10 pallets in the warehouse (10 slots)
Clamping by robot: ø40 to 220mm x 20mm
Max. Weight by robot piece: 5,6kg
Working time hours
Under power: 23.501
Cutting Time: 7.494
Potencial nominal kVA: 48
Basic machine dimensions / weight
Length mm: 5.330
Width mm: 4.100
Height mm: 2.395
Weight kg: 8.360
Request your quote
Sales Department
Besides, we not only have the best prices in the market, we also offer you the possibility of financing access to top quality machines at an affordable cost.
It is about important investments and that is why we are clear with a 100% safe machinery purchase and sales process, in order that you have all the necessary information to buy such a product.
To avoid that you have to travel, we take care of the transport and shipment of the purchase to your place of work. We collaborate with companies specialised in this type of orders and we can both, sell at source and turnkey.
董雁冰
CEO
Cillian Weber
CEO
3Axis Group
Fortuna Park Flinger Broich 203,
Halle 7-K, 40235 Düsseldorf, Germany
Fernando Mainar
+49 160 96787736
sale@taigmachines.com
Industrial machines
About 3Axis Group